湖北大(da)庆万美(měi)塑料制(zhì)造有限(xiàn)公司(4G网(wang)站),歡迎(yíng)您! 今天(tiān)是:


FBF-Ⅰ Ⅱ 防(fáng)爆閥
防(fáng)爆閥普(pǔ)遍适用(yong)于建材(cái)、冶金、化(hua)工、電力(lì)等部門(men)。作為壓(yā)縮、易爆(bao)氣體管(guǎn)道系統(tǒng)的卸壓(ya)裝置。
結(jie)構特點(dian):
This valve is made up of steel welded cylinder and anti-exploding valve slice. Its structure is simple. The slice would break itself when the system pressure is above 0.1MPa meter pressure, which can prevent the explosion and protect the production and person’s safety.
使用(yong)壓力 | 适用(yòng)溫度 Suitable temperature | 适用(yòng)介質 Suitable medium |
≤0.1MPa | ≤80℃ | 壓縮(suo)易爆氣(qì)體 |
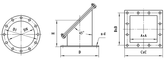
Appearance figure

Appearance joint dimensions:
DN(A×A) | D(C×C) | H | n-d | 重量(Kg)W | |
200 | 220 | Φ12 | 37 | ||
250 | 305 | 350 | 250 | 12-Φ | 44 |
300 | 55 | ||||
350 | 405 | Φ12 | 65 | ||
400 | 455 | 500 | 400 | 16-Φ14 | 82 |
505 | 550 | 450 | 16- | ||
500 | 600 | 500 | 108 | ||
600 | 655 | 700 | 550 | 20-Φ14 | 142 |
700 | 755 | 800 | 20-Φ14 | 180 | |
900 | 600 | 24-Φ14 | 202 |
•
·›