湖北大庆万美(měi)塑料制造有限(xiàn)公司(4G网站),歡迎(yíng)您! 今天是:



KT-Ⅰ空氣(qi)提升器
Air elevating engine
The engine is widely used in building material, cement, aluminum, copper, mining and light industries etc. Powder material can be transferred into the storage or material-air separator through the vertical pipe, when inflate and eduction phenomenon wouldn’t happen. The high of storage is from 30 meter to 100 meter. It is suitable for 1~15t/h system.
Structure characteristic:
This series product is welded in fine steel, having the features of compact structure, logical and scientific performance, long life, convenient installation and can meet the working condition very well. The traditional air-entry type has been improved. Now the type is that one air headstream is divided into two-way air entry. The one enters the gas-room through control butterfly valve. The high-pressure gas moves the material on the boil plate. The other gas is blown through the pipe. The gas is translated to high-temperature through especially scientific designed nozzle to move the material upward. The material is sediment through material-gas separator after it reaches a certain height and gas is let out upwards.
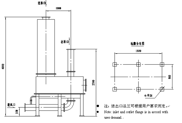
Appearance figure and joint dimension:

湖北(běi)大庆万美塑料(liao)制造有限公司(si)(4G网站) 版權所有(yǒu) 荊州百捷 技術(shu)支持
地址:荊州(zhōu)市沙市區十号(hao)路 咨詢熱線:0716-8878286
····
›
•
›
··