安全閥廣(guang)泛應用于(yú)建材、冶金(jīn)、煤碳、熱電(dian)等行業。它(ta)用于倉庫(kù)頂🔴因物理(lǐ)變化而産(chǎn)生的内壓(yā),易爆氣體(tǐ)的排🚩放及(ji)安全防範(fàn)。
Performance parameter:
Using pressure | 适用溫度(du) | 适用(yòng)介質 Suitable medium |
≤150℃ | 壓縮(suo)易爆氣體(tǐ) Compress easy-exploding gas |
外形圖:

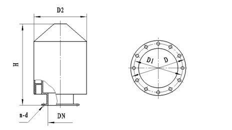
AQF-Ⅰ外(wai)形連接尺(chǐ)寸:
Appearance joint dimensions
D | D2 | H | |||
200 | 280 | 245 | 650 | 8-Φ12 | |
250 | 650 | 12-Φ12 | |||
300 | 520 | 12-Φ | |||
350 | 405 | 570 | 700 | 12-Φ12 | |
400 | 500 | 700 | |||
500 | 600 | 555 | 720 | 750 | Φ |
湖北大庆(qing)万美塑料(liào)制造有限(xian)公司(4G网站(zhan)) 版權所有(you) 荊州百捷(jié) 技術支持(chi)